Клиновая задвижка HAWLE 4010E3 DN50-250 PN25 (ДУ50-250, РУ25)
Цена по запросу
Характеристики
Серия
—
4010E3
ГОСТ/ТУ
—
12815-80
DN
—
50-250
Давление, PN
—
25
Материал
—
Высокопрочный чугун
Присоединение
—
фланцевое
Цена действительна только для сайта и может отличаться от указанной в прайс-листе
Клиновая задвижка HAWLE 4010E3 DN50-250 PN25 (ДУ50-250, РУ25)
Цена по запросу
Характеристики
|
Серия
|
4010E3 |
|
ГОСТ/ТУ
|
12815-80 |
|
DN
|
50-250 |
|
Давление, PN
|
25 |
|
Материал
|
Высокопрочный чугун |
|
Присоединение
|
фланцевое |
|
Среда
|
вода,нейтральные среды |
|
Управление
|
ручное |
|
Материал запирающего элемента
|
чугун |
|
Уплотнение
|
EPDM |
|
Направление
|
двустороннее |
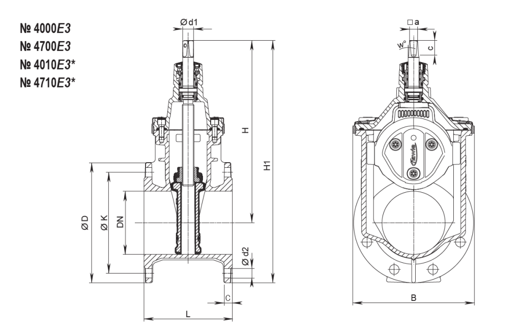
Упругозапирающаяся клиновая чугунная задвижка HAWLE 4010E3 DN50-250 PN25 (ДУ50-250, РУ25) с гладким проходным каналом используется в качестве запорной арматуры для водоснабжения: питьевая вода, техническая вода, пожаротушение.
Особенности:
- Стандартное исполнение без штурвала и штока.
- Подходит для работы с электроприводом.
- Размеры фланца соответствуют EN 1092-2, ГОСТ 12815-80
- Один шток, для нескольких диаметров задвижек.
- Благодаря гладкому проходному каналу возможна механическая чистка труб.
- Возможно переоборудование для использования с индикатором положения и электроприводом на основе стандартной крышки задвижки.
Преимущества:
- Непревзойденная надежность и запас прочности проверенные временем - реальный опыт эксплуатации более 50 лет!
- Минимальный крутящий момент без редуктора.
- Не требует технического обслуживания.
Технические параметры:


Чтобы купить клиновую чугунную задвижку HAWLE 4010E3 DN50-250 PN25 (ДУ50-250, РУ25) оставьте заявку на сайте. Наш менеджер свяжется с вами для уточнения деталей заказа и рассчитает стоимость доставки.
Документы

