Выпуск фланцевый чугунный ВФ ДУ 600*150 – это надежный элемент трубопроводной арматуры, предназначенный для соединения труб, отвода сточных вод и организации канализационных систем. Изготовлен из высокопрочного чугуна, который обладает повышенной прочностью, износостойкостью и устойчивостью к коррозии.
Материалы:
Изготавливается из высокопрочного чугуна с шаровидной формой графита.
На внутреннюю поверхность фасонных частей наносится цементно-песчаное покрытие.
На наружную поверхность фасонных частей наносится защитное покрытие цинком и битумным лаком.

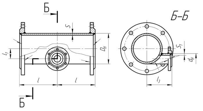
Размеры:
| DN х dn | DH | dh | S | S1 | L | L3 | L1 |
|---|---|---|---|---|---|---|---|
|
600х150 |
635 |
170 |
13,2 |
7,8 |
550 |
425 |
227 |
*Размеры носят справочный характер, допускается изменение размеров с сохранением функциональных характеристик изделия.
Сферы применения:
- Коммунальное хозяйство (канализационные сети, ливневые стоки).
- Промышленность (технические трубопроводы, системы водоотведения).
- Строительство (внутренние и наружные инженерные сети).
- Транспортная инфраструктура (дренажные системы, тоннели).
Преимущества:
- Высокая прочность – устойчивость к механическим нагрузкам и гидроударам
- Коррозионная стойкость – долговечность даже в агрессивных средах
- Герметичность – надежное соединение с резиновыми уплотнителями
- Универсальность – совместимость с различными системами водоотведения
- Долгий срок службы – устойчив к износу и перепадам температур
ГОСТ/ТУ:
Номенклатура и присоединительные размеры соответствуют требованиям ГОСТ 5525-88.
ЛТК "СВОБОДНЫЙ СОКОЛ" производит фасонные части из ВЧШГ:
- ЛИТЫЕ ТУ 24.51.30-035-90910065-2021 взамен ТУ 1460-035-90910065-2015
- СВАРНЫЕ ТУ 1468-041-90910065-2013 взамен ТУ 1468-041-50254094-2001
Маркировка
Соединительные части имеют на наружной поверхности литую или нанесенную краской маркировку, включающую следующие обозначения:
- товарный знак предприятия-изготовителя;
- условный проход;
- год изготовления;
- обозначение, что материалом трубы является чугун с шаровидной формой графита (GGG).
Чтобы купить выпуск фланцевый ВФ ВЧШГ DN600х150 (ДУ600х150) - оставьте заявку на сайте. Менеджер свяжется с Вами для уточнения деталей заказа и рассчитает стоимость доставки.

